Nissan Clarion PN-1726V




NISSAN BP5387


Разъёмы а/магнитол Nissan



10.-Remot A
4.-GND
21. RR(+)
31.Speed 2p
11. Remot B
22. RR(-)
32. NC
12. Remot earih
23. FR(+)
33. NC
Контакты : 1-3, 5-9, 13-20 -не задействованы
24. FR(-)
34.Back up
25. FL(+)
35. Nc
26. FL (-)
36. ILL
27. RL (+)
37.ACC
28. RL (-)
38. GND.


NISSAN PP-9940H
NISSAN PN9924U by Clarion (UK)


NISSAN PN-9660H


NISSAN
CLARION CK98B PN-9526U CL0065B




NISSAN




NISSAN CSK-9301MA




NISSAN PP-9997M




NISSAN ET RH (Blaupunkt BP 9349)
NISAN PP-1675H - контакты 8 и 9 поменять местами


Фото магнитолы BP 9349



NISSAN MID LHD(Blaupunkt BP 9345)

Фото магнитолы



BLAUPUNKT MICRA CD BP2346 (NISSAN)
BLAUPUNKT MICRA CD BP2347 (NISSAN)




NISSAN (CLARION) PN-9524U




NISSAN BP6350 by Blaupunkt (Portugal) (Разъём на шасси)
NISSAN CK94B (CLARION) PN-9522U (Made In Malaysia)




NISSAN CT020 (PN-1726M) made in Philippines (Clarion)

Данных по разводке разъёма временно нет.



NISSAN CNA48 (PN-2344N, Clarion, made in Japan)

Данных по разводке разъёма временно нет.



NISSAN PP-1589G (CK106) by Clarion (made in Japan)

Данных по разводке разъёма временно нет.



NISSAN X-TRAIL




NISSAN PN-1757L (Made By Clarion)


Фото наклейки здесь



NISSAN CH340 (PP-2609T)
NISSAN PP-2617V
NISSAN CY25A (CLARION PN-2649N) Физически, разъём такой же. Питающие провода подходят.




NISSAN PN-1682M (Clarion NF-R092-B)




NISSAN PN-2383D BOSE (Clarion CN 838)

Фото мордашки здесь



NISSAN PN-2804N
NISSAN PN-2805N

Фото полного разъёма здесь
Фото мордашки здесь



NISSAN PN-2419F

Фото наклейки здесь



NISSAN PN-2424R
NISSAN CT450 PN2424M




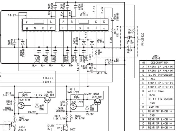
NISSAN PN-252

Фото магнитолы



NISSAN PN-2530H

Фото всего разъёма

Фото магнитолы



NISSAN PN-2665D-A

Фото всего разъёма

Фото магнитолы



NISSAN RM-V53GAEA
Фото графического разъёма

Фото магнитолы



NISSAN CA000(Murano)
Clarion модель № PN-2529

Фото магнитолы



NISSAN CN 688

Фото магнитолы



NISSAN CQ-EN3780AD(Teana new)
Matsushita Electric Industrial Co. Ltd.

Фото распиновки разъёма
Фото магнитолы




NISSAN CR 07A, CR 09B (Clarion ID№ CR 07A)

Фото магнитолы



NISSAN CY03E


Фото магнитолы



NISSAN CY06D (Qashqai) - производитель Clarion
Фото разъёма
Фото магнитолы



NISSAN CY11C (Qashqai) - производитель Clarion
Фото полного разъёма
Фото магнитолы



NISSAN CY13C (Qashqai) - производитель Clarion

Фото магнитолы



NISSAN PP-2665D-A (Сlarion)

Фото всего разъёма
Фото магнитолы



NISSAN RM-V53GAEA (Teana) - Matsushita

Фото магнитолы




NISSAN Усилитель 28060 СА105 Bose
Усилитель а/м MURANO, FX35.45-произвомитель BOSE
модель 28060 СА105 А/М MURANO



Фото усилителя



NISSAN PP-2617V




NISSAN PN-9924U



NISSAN PP-1675H







Nissan PW-2419F


Теги: NISSAN

© АПК Сервис 2002– TeleTehnika
При копирования материалов активная ссылка на сайт обязательна!
Политика конфиденциальности
Наверх