Переборщики кодовПо понятным причинам (без разрешения автора) схема и софт на сайте не выложены. Большая просьба не беспокоить по поводу схемы и программы, письма на эту тему буду уничтожать без ответов. Все вопросы к автору переборщика. Валерию Фомину. Если пожелает дать или продать, считайте что вам повезло, так как переборщик работает безупречно. Это равносильно тому что вы перебираете магнитолу руками, только намного быстрее.

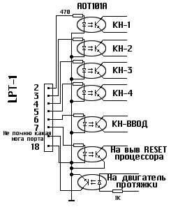
Переборщик подключается к LPT порту и к магнитоле в нескольких точках - на выключатель питания, на клавиатуру, на ЛПМ. Bместо одной из X2404 на борту переборщика в панельки SOC1 и SOC2 устанавливаются ДВЕ памяти 2404 с одинаковыми прошивками со сброшенным счетчиком попыток.

Работа переборщика построена на следующем принципе :
Так как в EEPROM 24с04 содержится счетчик попыток, переборщик поступает следующим образом - подключает первую память, включает аппарат, набирает код xxxx, подключает другую память, нажимает клавиши M и VF. Если набранный код был неправильный, ошибка записывается во вторую память. Затем выключает аппарат, подключает первую память ( а в ней ошибок не прописано ), включает аппарат, набирает код, и т.д. При наборе правильного кода начинает работать ЛПМ и сигнал с нее останавливает переборщик. Он выдает звуковой сигнал и правильный код. К сожалению, без второй памяти обойтись не получится, при записи ошибки процессор автомагнитолы должен получить ответ от памяти.

Переборщики кодовKe92.com - переборщик кодов для магнитолы Blaupunkt Pioneer KE-92zbm, работает с LPT1. Прога написана была несколько лет назад, когда я ещё не знал что такое кодовый аппарат! У приятеля на Е34 именно он и стоял, когда после отключения аккумулятора аппаратик просил CODE - пришлось мне с ним разбираться. Прога была написана для копма ПЕНЬ-60 (тогда такой у меня был), соответственно и программировал я тогда впервые и что такое таймер и с чем его едят я тоже не знал - вот и сделал все задержки в проге циклами, отсюда следует, что на более быстром компе прога работать не будет, ввиду того, что скорость нажатия на клавиши в Blaupunkt Pioneer KE-92zbm ограничена. Естественно я прилагаю исходник Ke92.asm написанный на ассемблере - там в принципе всё понятно - и кому надо разберутся где покрутить задержки, да и комментарии в исходнике есть! Ну а если что не понять, то нефиг и связываться с этим - несите аппарат тому кто может это сделать! Сейчас я конечно не стану пользоваться этой прогой, потому что для перебора всех кодов нужно потратить где то около 8-и часов (мне повезло я попал за полтора) - когда более цивилизованным методом требуется минут 15-20. Выход ихз программы 0. p.s. Прога предназначена для тех, кто не может прочитать FUSE ROM в которой и сидит этот самый злосчастный КОД !!!
Прога c исходником автора лежит здесь http://decoding.newmail.ru/

Теги: Переборщики кодов

© АПК Сервис 2002– TeleTehnika
При копирования материалов активная ссылка на сайт обязательна!
Политика конфиденциальности
Наверх