Self-Check для проверки микроконтроллеровСпецифика нашей работы такова, что подразумевает некоторую многопрофильность. Время от времени мы сталкиваемся с ситуациями, когда выполнение какой-либо работы невозможно без использования дополнительных приспособлений, которые приходится изобретать и собирать на ходу, исходя из конкретной задачи или под конкретный софт. В итоге рабочий стол обычно напоминает небольшую свалку из полу собранных (или уже полу разобранных) адаптеров, аппаратных ключей и т.п. Поэтому желание сваять какое-нибудь универсальное приспособление, и тем самым избавиться хотя бы от части этого хлама, вполне естественно. И так, Self Check, что за зверя будем изготавливать и для чего он нам нужен, этот Self Check? В начале давайте определимся что означает Self Check - в переводе на русский это означает "Самопроверка", то есть, мы заставим сам микроконтроллер проверять себя же и в итоге выдать результат. Читая форумы пришел к выводу что многие не недопонимают сути "Self Check", часто нет коннекта, то есть, контроллер не входит в Boot потому что активирован SEC бит. Немного о том что такое SEC бит и как он активируется. В микроконтроллерах серии HC05 защита активируется путем установки в ноль SEC бита в Options register (OPTR). Для 05B и 05x этот регистр расположен в первой ячейке EEPROM (адрес $0100). После активации SEC процессор не может быть запущен в режиме Serial RAM loader, и соответственно чтение и запись памяти невозможны. Для работы с защищенными процессорами следует использовать функцию Skip SEC (Обход SEC) программатора MTRK. Но это уже из области программирования и описано в разделе "Программатор - MOTOROLA".
А для чего же он нужен? В основном он нужен по своему назначению, то есть, проверить целостность портов и проверить EEPROM на запись и чтение. Заметили, ЗАПИСЬ И ЧТЕНИЕ!!! Вот тут то многие и ловятся, потеряв родной дамп микроконтроллера. Почитайте статью по программированию контроллеров MC68HC05
здесь, там всё расписано, как обходить защиту и оставить дамп в целости.
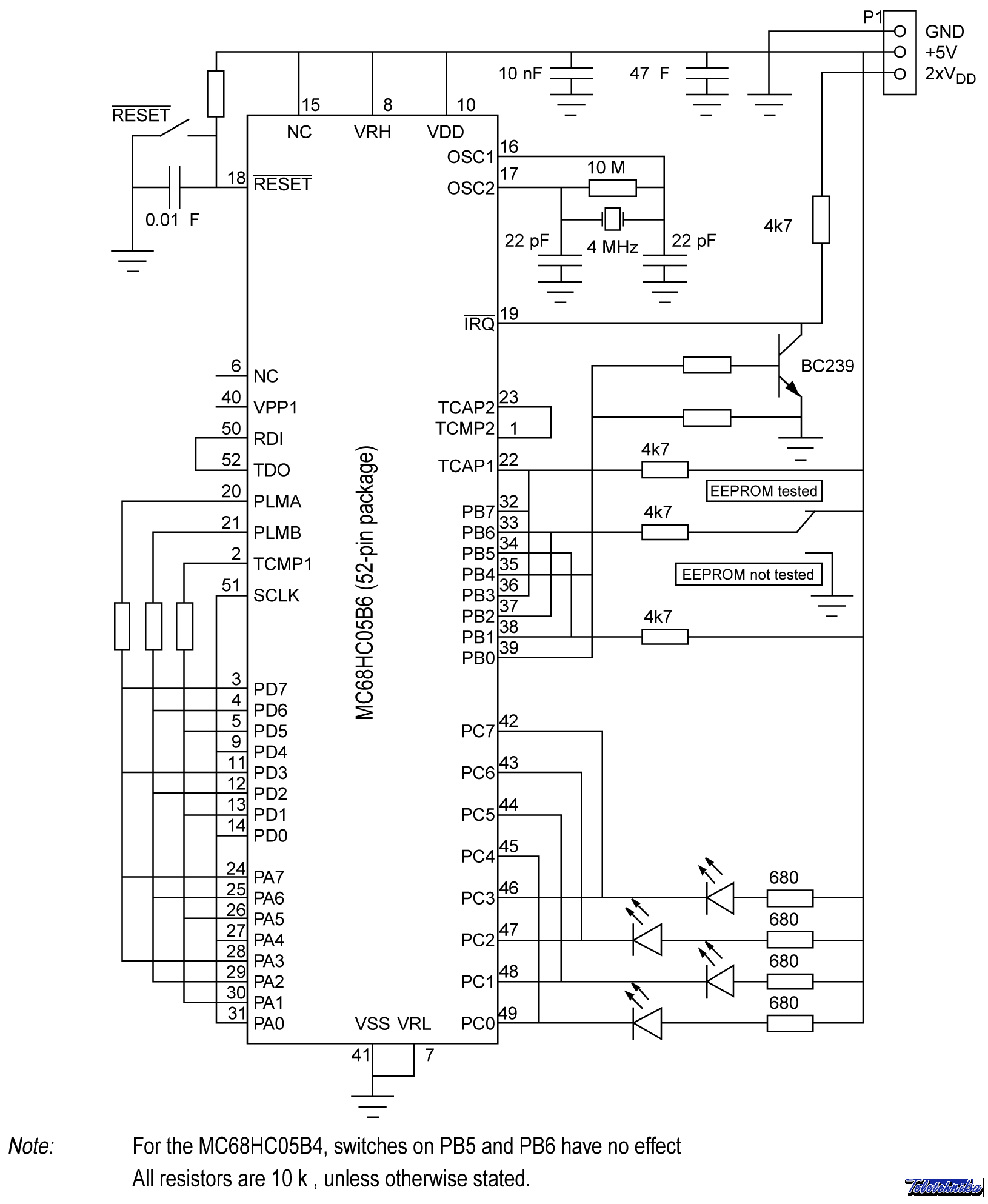
И так, приступим к изготовлению девайса. Вот схема и рисунок печатной платы:
Таблица результатов проверки для процессора MC68HC05B6

"0" Indicates LED on, "1" Indicates LED off
Для печати на принтере, файл оригинал в нормальную величину, разработанную
Валентином evimix@is.lt , можете скачать здесь:
Внимание! У Вас нет прав для просмотра скрытого текста.
Вот пока и всё что можно предложить. Спасибо всем кто помогал в создании данной страницы и Валентину (автору печатной платы) за разрешение публикации данного материала.
Внимание!!! Self Check делается только на MC68HC05 но не как на MC68HC11
Вот теперь всё.